выберите цвет:
Всё о строительстве, отделке и ремонте домов и квартир. Форум, блоги, чат. Дом СоветовЪ. Строим вместе!
Вернуться   > >

Моя стройка! Описание своего строительства. Фотоотчёты и хронология.

Ответ
Опции темы Рейтинг: Рейтинг темы: 5.00, голосов 6 Опции просмотра
Старый 01.06.2013, 14:19   #1 или 145316
purler
Я тут живу!
Регистрация: 20.05.2011
Сообщений: 2,760
Репутация: 21
По умолчанию Стройка purler

Всем привет!

Добрался таки до освещения своей стройки, хотя она в самом начале и очень неспешная. Была идея сделать небольшой экскурс и рассказать предисторию, но там все нудно и малоинтересно, а есть чем поделиться и поинтересней. Так что постараюсь делиться позитивными моментами от стройки.

Участок выбирался очень долго и в итоге после нежданной перепетии с участком затянувшим начало стройки еще на год я таки приступил к строительству. Да и участок оказался там где я совсем неожидал, но так уж получилось.
Расположение участка палить совсем неохота, поэтому часть кадров будет порезана, просто как-то жалко расставаться с парой лапат из бытовки или чем поценнее.

Проект старался упростить и пока выбирал участок он менялся довольно прилично 7 раз. В итоге вышло 2 этажа 11 на 11 метров + гараж. Подсыпаться на участке надо очень прилично поэтому еще и цоколь добавился, если его не затопит , то там будет топочная.
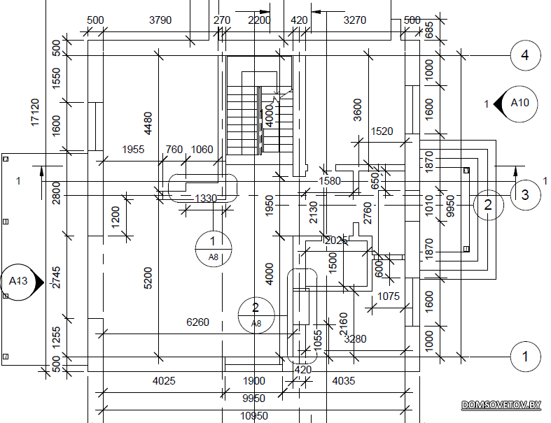
Выкладываю пару чертежиков, критика не помешает, хотя врядли уже будут серъезные изменения. Но вдруг что важное просмотрел



purler вне форума Ответить с цитированием
21.12.2012
Спонсор
Я здесь родился!
 
Регистрация
Чтобы убрать этот блок - надо зарегистрироваться!
Здесь может быть ваша реклама!
Старый 01.06.2013, 16:21   #2 или 145320
Игорь
Я тут живу!
 
Аватар для Игорь
Регистрация: 16.05.2011
Адрес: Минск
Сообщений: 1,166
Репутация: 22
Золотые часы: За хронометраж событий 
По умолчанию

purler, внешне очень похож на мой дом
Игорь вне форума Ответить с цитированием
Сказал cпасибо:
Старый 01.06.2013, 20:56   #3 или 145332
purler
Я тут живу!
Регистрация: 20.05.2011
Сообщений: 2,760
Репутация: 21
По умолчанию

Игорь, Пока что у меня только картинки и котлован, остальное - в планах. Сравниваться еще нечем.
Итак, я был оторван от повествования срочным делом, но теперь можно продолжать.

Бытовка - кунг была радостна куплены по случаю еще в прошлом году, но почти год простояла без дела. Так уж сложились обстоятельства. А по весне я неожиданно узнал что у меня было много гостей о которых я и не позаботился..
Гостям пришлось довольствоваться тем что есть. Губка была достаточно вкусной, а вот туалетная бумага совсем нетронута. Из чего ее делают?

Пенопласт пошел на ура, а пеноплекс не тронули, что ожидаемо.

И явно десертом оказалась пробка


---------- Сообщение добавлено в 19:56 ---------- Предыдущее было в 19:47 ----------

Заехав сегодня на старый участок я был прямо шокирован данным чудом японской техники расположившимся четко по центру и прорвавшимся без особого напряга через столбики ограждения

Намек я понял очень хорошо особенно с учетом того что на фоне моих домиков оно еще более устрашающее выглядило

И я быстро капитулировал с этого поля. Благо дорога подсохла и повезло с манипулятором. Японцы победили...


А бытовка была завезена за ров и пока что в безопастности.


Рва будет достаточно или пора варить противотанковые ежи и поспрашивать чего у вояк? Стремает меня такая техника..
purler вне форума Ответить с цитированием
Сказали спасибо: 3
Старый 01.06.2013, 21:07   #4 или 145334
mutny
Куратор
 
Аватар для mutny
Регистрация: 17.05.2011
Адрес: Минск
Сообщений: 1,661
Записей в дневнике: 2
Репутация: 32
Знак отличника: За отличие!  Медаль  
По умолчанию

Оффтоп
mutny вне форума Ответить с цитированием
Сказали спасибо: 4
Старый 01.06.2013, 23:20   #5 или 145350
Славка
Участковый
 
Аватар для Славка
Регистрация: 04.05.2011
Сообщений: 13,049
Записей в дневнике: 25
Рецепты: 1
Репутация: 101
Золотая звезда: За заслуги Дом СоветовЪ! 
По умолчанию

Сейчас туалетку даже в колбасу не добавляют - дорого!

А японскому внедорожнику надо колёса спустить

Последний раз редактировалось Славка; 02.06.2013 в 17:28.
Славка вне форума Ответить с цитированием
Сказали спасибо: 4
Старый 02.06.2013, 17:10   #6 или 145432
DOLBO.BY
Destruction Service
 
Аватар для DOLBO.BY
Регистрация: 04.05.2011
Адрес: Беларусь
Сообщений: 3,269
Рецепты: 1
Репутация: 65
Золотые часы: За хронометраж событий 
По умолчанию

Цитата:
Сообщение от purler Посмотреть сообщение

А бытовка была завезена за ров и пока что в безопастности.


Рва будет достаточно или пора варить противотанковые ежи и поспрашивать чего у вояк? Стремает меня такая техника..
как планируется использовать эти короткие бруски? для крепления опалубки?
DOLBO.BY вне форума Ответить с цитированием
Сказал cпасибо:
Старый 02.06.2013, 18:20   #7 или 145434
purler
Я тут живу!
Регистрация: 20.05.2011
Сообщений: 2,760
Репутация: 21
По умолчанию

Честно признаюсь что незнаю зачем эти бруски. Я детальные размеры строителям передал, вроде все основняе моменты уточнил и жду что будет дальше. Сильно в детали уже не вдавался. Буду по ходу дела приглядывать что да как получается.
Долго раздумывал на какую глубину копать котлован. Даже копнул ямку и докопался до воды в полуметре от поверхности которая и стала последним аргументом в данном вопросе

Правда это было в начале мая и счас воды нету и на метровой глубине.
Так что сверху сняли плодородку, потом еще около 30 сантиметров суглинка под которым проглядывает песок, но тоже в перемешку с глиной. Вот с этого уровня будет ровняться уровень и заливаться подушка.

А первая мысль у меня была что это дрова на мангал
purler вне форума Ответить с цитированием
Сказали спасибо: 3
Старый 08.06.2013, 18:05   #8 или 146207
purler
Я тут живу!
Регистрация: 20.05.2011
Сообщений: 2,760
Репутация: 21
По умолчанию

Стройка движется. Приятно заехать и увидеть прогресс
Сначала получилась большая песочница. Боялся что после дождей будет бассейн, но везет - вокруг хватает луж в колеях, а в районе фундамента сухо.

Потом появились стенки

Вроде как все довольно ровное. С пол часа бегал перемерял размеры. Без калькулятора напряжно считать, отвык от устного счета

Жаль рулетка короткая - не померял диагонали. Что еще смотреть до бетонирования - незнаю.
purler вне форума Ответить с цитированием
Сказали спасибо: 7
Старый 08.06.2013, 21:58   #9 или 146219
Ribano4ka
Пионэр
 
Аватар для Ribano4ka
Регистрация: 12.02.2012
Адрес: Minsk
Сообщений: 128
Репутация: 12
По умолчанию

purler, чтобы померять диагонали, можно было взять не растягивающуюся веревку (шпагат например) и сделать ее такой длины, как диагонали.. А потом протянуть из угла в угол=))
Ribano4ka вне форума Ответить с цитированием
Сказал cпасибо:
Старый 08.06.2013, 22:09   #10 или 146220
Akimi
Космомолец
 
Аватар для Akimi
Регистрация: 11.06.2012
Адрес: Минск
Сообщений: 219
Репутация: 16
По умолчанию

Хотите обойтись в измерениях без помощников, купите этот инструмент http://www.bosch-professional.com/by...p-24129-ocs-p/
Потом, использование этого инструмента, будет приносить наслаждение, особенно в моменты, когда строители будут доказывать ровность своей работы метровым уровнем. Вы будете всегда правы.
Akimi вне форума Ответить с цитированием
Сказали спасибо: 2
Ответ
Поделись ссылкой на эту тему:


Похожие темы
Тема Автор Раздел Ответов Последнее сообщение
Стройка Coolnick Coolnick Моя стройка! 82 01.10.2014 15:15
Стройка by napTu3aH napTu3aH Моя стройка! 43 25.04.2013 16:38
Стройка by Saburoff Saburoff Моя стройка! 404 26.02.2013 13:53
Стройка Тигры Tiger Конкурс "Строительство дома: мечты и реальность!" 3 01.10.2012 10:47

Ваши права в разделе
Вы не можете создавать новые темы
Вы не можете отвечать в темах
Вы не можете прикреплять вложения
Вы не можете редактировать свои сообщения

BB коды Вкл.
Смайлы Вкл.
[IMG] код Вкл.
HTML код Выкл.

Быстрый переход

Стройка purler Рейтинг:5.00 из 5 на основе 6 оценок.
Дом СоветовЪ, Беларусь, Минск
Старт:
Старт:
Старт:


Здесь присутствуют: 1 (пользователей: 0 , гостей: 1)
 


Текущее время: 07:02. Часовой пояс GMT +3.


Powered by vBulletin® Version 3.8.8
Copyright ©2000 - 2026, vBulletin Solutions, Inc. Перевод: zCarot
Webmaster: OldEr
Реклама у нас
При публикации материалов с нашего сайта гиперссылка на Дом СоветовЪ обязательна