выберите цвет:
Всё о строительстве, отделке и ремонте домов и квартир. Форум, блоги, чат. Дом СоветовЪ. Строим вместе!
Вернуться   > >

Ответ
Опции темы Оценить тему Опции просмотра
Старый 18.07.2016, 23:25   #1 или 268403
mishutka
Карапузо
Регистрация: 11.10.2012
Сообщений: 5
Репутация: 10
По умолчанию Подскажите работоспособность схемы

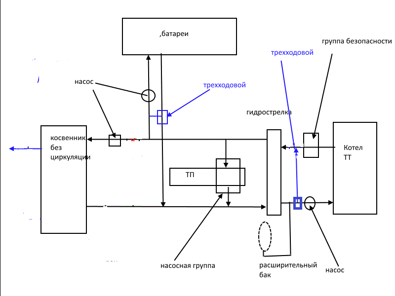
есть накинутая схема как она будет работать

Последний раз редактировалось mishutka; 18.07.2016 в 23:56.
mishutka вне форума Ответить с цитированием
21.12.2012
Спонсор
Я здесь родился!
 
Регистрация
Чтобы убрать этот блок - надо зарегистрироваться!
Здесь может быть ваша реклама!
Старый 18.07.2016, 23:45   #2 или 268404
ignatov
Член Совета
 
Аватар для ignatov
Регистрация: 13.05.2011
Адрес: Минск-Заславль
Сообщений: 610
Репутация: 20
По умолчанию

Размер 1,5 кб, невидно.

Ок, уже видно.
Трехходовой после гидрострелки обязательно для теплого пола, очень желательно для радиаторов, никак не нужен для бойлера. Также трехходовой желателен для поддержания температуры обратки ТТ котла.

Последний раз редактировалось ignatov; 19.07.2016 в 00:16.
ignatov вне форума Ответить с цитированием
Сказали спасибо: 2
Старый 19.07.2016, 06:15   #3 или 268408
Sas
Член Совета
 
Аватар для Sas
Регистрация: 16.06.2011
Адрес: Минск
Сообщений: 852
Записей в дневнике: 6
Репутация: 14
По умолчанию

Согласен с @ignatov, плюс добавил бы смесительный 3ходовой на ГВС против ожогов. Особенно если дети, и вместо стрелки буфер хотя бы 300л- для безопасности
Sas вне форума Ответить с цитированием
Сказал cпасибо:
Старый 19.07.2016, 07:45   #4 или 268409
mishutka
Карапузо
Регистрация: 11.10.2012
Сообщений: 5
Репутация: 10
По умолчанию

так получается
mishutka вне форума Ответить с цитированием
Старый 19.07.2016, 08:28   #5 или 268413
Sas
Член Совета
 
Аватар для Sas
Регистрация: 16.06.2011
Адрес: Минск
Сообщений: 852
Записей в дневнике: 6
Репутация: 14
По умолчанию

@mishutka, 3ходовой котла на обратке, а насосных групп - на подаче.
Sas вне форума Ответить с цитированием
Старый 19.07.2016, 11:07   #6 или 268415
Dobrinia
СайтоСтроитель
 
Аватар для Dobrinia
Регистрация: 29.12.2013
Адрес: Володьки, Узденский р-н
Сообщений: 2,961
Репутация: 14
По умолчанию

Цитата:
Сообщение от Sas Посмотреть сообщение
Согласен с @ignatov, плюс добавил бы смесительный 3ходовой на ГВС против ожогов. Особенно если дети,
Подскажите, что за 3хходовой в таком случае ставится?
Это же не отопление.... сколько он проработает на ГВС? вода ж не подготовленная... в лучшем случае после проточного фильтра...
Dobrinia вне форума Ответить с цитированием
Старый 19.07.2016, 13:17   #7 или 268419
Sas
Член Совета
 
Аватар для Sas
Регистрация: 16.06.2011
Адрес: Минск
Сообщений: 852
Записей в дневнике: 6
Репутация: 14
По умолчанию

Цитата:
Сообщение от Dobrinia Посмотреть сообщение
Подскажите, что за 3хходовой в таком случае ставится?
Это же не отопление.... сколько он проработает на ГВС? вода ж не подготовленная... в лучшем случае после проточного фильтра...
Термостатический клапан ГВС
нормально работает, без нареканий.
Sas вне форума Ответить с цитированием
Сказал cпасибо:
Старый 23.07.2016, 08:04   #8 или 268683
mishutka
Карапузо
Регистрация: 11.10.2012
Сообщений: 5
Репутация: 10
По умолчанию

суть что гвс без циркуляции, надо ли тогда 3-х ходовой? Буфер места нет ставить

---------- Сообщение добавлено в 08:04 ---------- Предыдущее было в 07:55 ----------

mishutka вне форума Ответить с цитированием
Старый 23.07.2016, 14:33   #9 или 268722
Sas
Член Совета
 
Аватар для Sas
Регистрация: 16.06.2011
Адрес: Минск
Сообщений: 852
Записей в дневнике: 6
Репутация: 14
По умолчанию

@mishutka, в бойлере вола будет нагреваться до 90 градусов. Вы представляете что это? Как из чайника.
Sas вне форума Ответить с цитированием
Старый 24.07.2016, 07:56   #10 или 268760
mishutka
Карапузо
Регистрация: 11.10.2012
Сообщений: 5
Репутация: 10
По умолчанию

а если поставить 2-х ходовой кран на гвс и ограничить температуру воды
mishutka вне форума Ответить с цитированием
Ответ
Поделись ссылкой на эту тему:


Похожие темы
Тема Автор Раздел Ответов Последнее сообщение
Подскажите, что с деревом? Alex GR Плодовый сад 114 24.05.2016 14:45
Подскажите цену solsol Фундамент 1 03.01.2015 15:38
Подскажите кто знает aleks-vas Строения на участке 4 12.12.2013 16:37
Карты, планы и схемы участков Славка Красный Маяк - Романовичи 30 19.09.2013 19:00
Схемы типовых узлов кровли из битумных материалов Славка Литература и инструкции 0 06.01.2013 21:58

Ваши права в разделе
Вы не можете создавать новые темы
Вы не можете отвечать в темах
Вы не можете прикреплять вложения
Вы не можете редактировать свои сообщения

BB коды Вкл.
Смайлы Вкл.
[IMG] код Вкл.
HTML код Выкл.

Быстрый переход

Подскажите работоспособность схемы Рейтинг: из 5 на основе 0 оценок.
Дом СоветовЪ, Беларусь, Минск
Старт:
Старт:
Старт:


Здесь присутствуют: 1 (пользователей: 0 , гостей: 1)
 


Текущее время: 14:34. Часовой пояс GMT +3.


Powered by vBulletin® Version 3.8.8
Copyright ©2000 - 2025, vBulletin Solutions, Inc. Перевод: zCarot
Webmaster: OldEr
Реклама у нас
При публикации материалов с нашего сайта гиперссылка на Дом СоветовЪ обязательна