выберите цвет:
Всё о строительстве, отделке и ремонте домов и квартир. Форум, блоги, чат. Дом СоветовЪ. Строим вместе!
Вернуться   > >

Моя стройка! Описание своего строительства. Фотоотчёты и хронология.

Ответ
Опции темы Рейтинг: Рейтинг темы: 4.50, голосов 22 Опции просмотра
Старый 25.05.2021, 13:03   #151 или 328518
Scorpy
социепат
 
Аватар для Scorpy
Регистрация: 06.06.2011
Адрес: кэлх
Сообщений: 4,066
Записей в дневнике: 66
Репутация: 21
По умолчанию

распорок мало, на мой взгляд.
Scorpy вне форума Ответить с цитированием
21.12.2012
Спонсор
Я здесь родился!
 
Регистрация
Чтобы убрать этот блок - надо зарегистрироваться!
Здесь может быть ваша реклама!
Старый 26.05.2021, 09:02   #152 или 328527
welaribo
Я тут живу!
Регистрация: 13.09.2015
Адрес: Минск
Сообщений: 1,279
Репутация: 11
По умолчанию

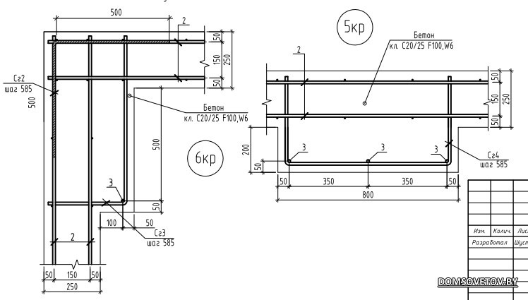
Ростверк еще будет укрепляться: стяжки, дополнительные распорки и так далее. Есть щели по стыкам опалубки, будем пропенивать до заливки чтобы не выдавило через них бетон и не было бугров.

По проекту ростверк гидроизолируется с 2х сторон (с внешней и с внутренней). Но используется бетон c20/25 (350 марка) который вроде как вообще можно не гидроизолировать. Вот сомневаюсь - следовать проекту и гидроизолировать с 2х сторон или только с внешей?

На этой неделе должны залиться, надеюсь что погода не внесет коррективы.
welaribo вне форума Ответить с цитированием
Старый 27.05.2021, 14:56   #153 или 328535
Урри
Я тут живу!
Регистрация: 03.05.2015
Адрес: Боровляны
Сообщений: 1,594
Рецепты: 1
Репутация: 15
По умолчанию

Цитата:
Сообщение от welaribo Посмотреть сообщение
Что-то еще?
Бетон качественный
Урри вне форума Ответить с цитированием
Сказал cпасибо:
Старый 27.05.2021, 14:59   #154 или 328536
Урри
Я тут живу!
Регистрация: 03.05.2015
Адрес: Боровляны
Сообщений: 1,594
Рецепты: 1
Репутация: 15
По умолчанию

Цитата:
Сообщение от welaribo Посмотреть сообщение

На этой неделе должны залиться, надеюсь что погода не внесет коррективы.
Все заливочные операции начинайте только утром, если миксерист звонит что задерживается, заскакивает, очередь или еще что то - смело переносите, на утро.
Тут вопрос в чем - начнете заливать позже, при возникновении любого форсмажора времени засветло все решить может не хватить. Проверено неоднократно.
Урри вне форума Ответить с цитированием
Сказал cпасибо:
Старый 29.05.2021, 09:35   #155 или 328540
welaribo
Я тут живу!
Регистрация: 13.09.2015
Адрес: Минск
Сообщений: 1,279
Репутация: 11
По умолчанию

Бетон заказываю у рекомендованного подрядчиком поставщика, он с ним работает уже много лет и с его слов никогда не было проблем. Решил не экспериментировать и довериться рекомендации.

Сваи залили за час, ростверк будет больше по времени, но сколько - хз.
welaribo вне форума Ответить с цитированием
Старый 31.05.2021, 23:42   #156 или 328549
welaribo
Я тут живу!
Регистрация: 13.09.2015
Адрес: Минск
Сообщений: 1,279
Репутация: 11
По умолчанию

Все еще продолжаем готовить ростверк. Ребята кажый день на объекте с утра до вечера, но по факту трудоемкая это операция подготовить все-все под заливку.

Уложили и более менее подогнали возле свай белый пенопласт 5см вниз как несъмную опалубку (по проекту был пеноплекс 5см, но заменили на пенопласт минимальной плотности из-за небольшой экономии так как его роль чисто технологическая: не пустить бетон в грунт при заливке + защитить от пучения в процессе эксплуатации), поставили терморазрывы мужду крыльцом/террассой и основным ростверком (тут уже используется пеноплекс 5см), ставим и связываем каркасы в ростверке, укрепляем опалубку распорками и растяжками. Осталось досвязать каркасы между собой, укрепить ростверк, где надо сделать закладные.
welaribo вне форума Ответить с цитированием
Старый 01.06.2021, 12:27   #157 или 328550
chast_nik
Пионэр
Регистрация: 05.02.2013
Сообщений: 162
Репутация: 10
По умолчанию

Как-то на углах не красиво совсем.
Попросите рабочих дополнительно, хотя бы где можно,
Г-образных связей добавить.
chast_nik вне форума Ответить с цитированием
Сказали спасибо: 3
Старый 01.06.2021, 14:35   #158 или 328551
welaribo
Я тут живу!
Регистрация: 13.09.2015
Адрес: Минск
Сообщений: 1,279
Репутация: 11
По умолчанию

Г и П образные связи везде есть на углах и Т соединениях где предусмотрено проектом. Возможно их не видно на фото из-за ракурса фотографий. Сегодня все буду перепроверять еще раз.
welaribo вне форума Ответить с цитированием
Старый 02.06.2021, 00:52   #159 или 328553
welaribo
Я тут живу!
Регистрация: 13.09.2015
Адрес: Минск
Сообщений: 1,279
Репутация: 11
По умолчанию

Подскажите плз по оранжевым канализационным трубам для разводки канализации. Стоит ли загоняться по производителю?
welaribo вне форума Ответить с цитированием
Старый 02.06.2021, 17:55   #160 или 328555
dimex
Член Совета
Регистрация: 04.11.2012
Сообщений: 518
Репутация: 10
По умолчанию

Цитата:
Сообщение от welaribo Посмотреть сообщение
Подскажите плз по оранжевым канализационным трубам для разводки канализации. Стоит ли загоняться по производителю?
Я брал остендорф.
dimex вне форума Ответить с цитированием
Сказали спасибо: 2
Ответ
Поделись ссылкой на эту тему:


Похожие темы
Тема Автор Раздел Ответов Последнее сообщение
Стройка IT_Prof'ыча IT_Prof Моя стройка! 546 20.07.2021 22:53
Стройка от Икс Икс Моя стройка! 111 19.05.2015 10:02
Стройка Coolnick Coolnick Моя стройка! 82 01.10.2014 15:15
Стройка Тигры Tiger Конкурс "Строительство дома: мечты и реальность!" 3 01.10.2012 10:47

Ваши права в разделе
Вы не можете создавать новые темы
Вы не можете отвечать в темах
Вы не можете прикреплять вложения
Вы не можете редактировать свои сообщения

BB коды Вкл.
Смайлы Вкл.
[IMG] код Вкл.
HTML код Выкл.

Быстрый переход

Стройка welaribo Рейтинг:4.50 из 5 на основе 22 оценок.
Дом СоветовЪ, Беларусь, Минск
Старт:
Старт:
Старт:


Здесь присутствуют: 14 (пользователей: 0 , гостей: 14)
 


Текущее время: 09:38. Часовой пояс GMT +3.


Powered by vBulletin® Version 3.8.8
Copyright ©2000 - 2026, vBulletin Solutions, Inc. Перевод: zCarot
Webmaster: OldEr
Реклама у нас
При публикации материалов с нашего сайта гиперссылка на Дом СоветовЪ обязательна